CÔNG TY TNHH BACA VIỆT NAM

CÔNG TY TNHH BACA VIỆT NAM

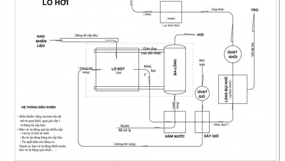
Công ty TNHH BACA Việt Nam đã hoạt động 9 năm (2014 – 2023), chuyên chế tạo, lắp đặt, sửa chữa và bảo dưỡng lò hơi các loại. Nhiều nhất là lò hơi đốt dầu (DO, FO) và lò hơi tầng sôi, sử dụng đa nhiên liệu, như củi, trấu, than Indo, . . .

Đặc biệt, lò hơi do Công ty TNHH BACA Việt Nam cung cấp:

  • có khói thải ra môi trường trong veo. Lợi ích rõ ràng nhất là giảm đáng kể phí nhiên liệu, loại phí không hề nhỏ dùng cho hoạt động lò hơi. Và,
  • có hệ thống bảo vệ an toàn chuyên dùng cho lò hơi (không xảy ra sự cố nổ lò dù vận hành sai).

Công nghệ này Đại sứ quán Việt Nam ở Singapore đang giới thiệu trên website: SAFETY LOCK for BOILER / Vietnam Trade Office in Singapore tại link: https://vntradesg.org/en/safety-lock-for-boiler

Hoặc trên báo Dân Trí đăng ngày 15/08/2018, website: Lò hơi không nổ tại đường link: https://dantri.com.vn/doanh-nghiep/khoa-an-toan-lo-hoi-noi-khong-voi-tai-nan-chay-no-20180815071323331.htm

CÔNG TY TNHH BACA VIỆT NAM

KHÁCH HÀNG TIÊU BIỂU